天阳设备
HAPPY NEW YEAR
新年伊始,开启新的好气象
只有干出来的辉煌
没有等出来的精彩
天阳机械设备有限公司
以焕然一新的面貌
开启了新一年的征程
火花四溅
走到车间里人的第一感受就是忙碌的工人、嗡鸣的机器、飞溅的焊火花、穿行起伏的吊车,在新年首个工作周里五个工程项目即开足马力,全面投入到实现“业务倍增”目标当中。

山东玫徳项目
一片空地
一张图纸
天阳团队
势不可挡

大连项目
大连废砂再生处理及覆膜砂成套设备项目电气化安装单机调试

湖北二汽改造项目
东风二汽锻造有限公司废砂再生处理改造项目设备调试中

承德项目
承德覆膜砂成套设备项目设备调试中

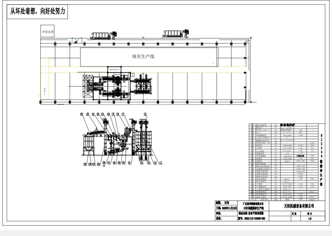
广东富华集团项目
广东富华集团覆膜砂成套设备项目

各项目进度表

挑灯夜战
新年新气象,让人眼前一亮的是,为了更好地抢抓新机遇,设备公司在首先满足现有的生产前提下,对设备进行节能改造和节控布置,达到废砂混合再生优化。

全面奋战
车间各岗位超负荷工作春节不休息在保证生产品质同时把进度抢出来,全员默契相互配合,确保各项任务保质保量完成。

